手機:+86-158-3607-3235
電話:+86-0373-2878260
郵箱:1270722304@qq.com
地址:河南省新鄉市衛濱區八里營工業區
YZO振動電機

YZO振動電機介紹:
YZO振動電機是在轉子軸兩端各安裝一組可調偏心塊,利用軸及偏心塊高速旋轉產生的離心力得到激振力。YZO振動電機是動力源與振動源結合為一體的激振源,與JZO振動電機,YZU振動電機、YZS振動電機、YZD振動電機、TZD振動電機等型號的電機同屬于通用型臥式振動電機。臥式振動電機具有激振力利用率高、能耗小、噪音低、壽命長,激振力可以無級調節,使用方便等優點。
公司在設計YZO振動電機時采用機殼和底座分離的設計理念,延續了以往振動電機維修方便的特點;采用散熱片進行散熱,使其更能適用惡劣的工作環境和更高的工作溫升,無形的減少了振動電機的維護成本,特別適合一些工作時間長、連續工作且工作條件惡劣、維護水平低的用戶;最后YZO振動電機重點開發了不同的激振力和更合理的安裝尺寸,使客戶的具有更多的選擇和更方便的使用。
YZO振動電機是動力源與振動源結合為一體的激振源,YZO振動電機是在轉子軸兩端各安裝兩塊偏心塊,利用軸的旋轉帶動偏心塊高速旋轉產生的離心力使其自身得到激振力。YZO振動電機的激振力利用率高、能耗小、噪音低、使用壽命長。最主要的是振動電機的激振力可以無限調節,以滿足各種振動機械的需求。
YZO振動電機特點:
1、全封閉結構,可在任何無防爆要求的粉塵條件下工作;
2、因振動電機是強阻型振動而不是共振,所以有穩定的振幅;
3、維護保養方便、簡單,只需要定期軸承注油維護;
4、可根據振動電機的安裝方式改變激振力的方向;
5、規格齊全,能滿足各類振動機械的工作需要;
6、可按照不同的用途選擇振動頻率和振幅;
7、激振力與傳動出力配合適當;
8、激振力與出力配合適當;激振力大、機體重量輕、體積小、噪音低;
9、振動頻率范圍大,可通過調整轉速的方法進行大范圍的調整,并且能按照不同的用途任意選擇振動頻率和振幅;
10、調整偏心塊的夾角即可無極調整激振力
YZO振動電機型號說明:

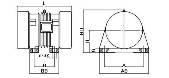
YZO振動電機示意圖:

YZO振動電機型號技術參數表 :

![]() | YZO振動電機廠家地址:河南省新鄉市衛濱區八里營工業園 YZO振動電機價格咨詢電話:15836073235 0373-2878260 歡迎掃描二維碼關注德誠電機手機網站 |
聯系我們











